IUNGO
Продукция
Прямоугольные соединители
Kонтакты
1,5А
1000А
100A
10A
150A
16A
1A
200A
250A
2A
300A
350A
3A
40A
5A
650A
70A
Контакты для печатных плат
Пневматические контакты
Аксессуары
Вставки
CHAdeMO
HA Серия - узкие вставки
HC Серия - сильноточные вставки
HCM Серия - малогабаритные вставки
HD AV Серия - вставки-распределители
HD&HDD Серия - вставки с ультра-высокой плотностью контактов
HDC Серия
HE AV Серия - вставки-распределители
HE Серия - стандартные вставки
HEE Серия - вставки с высокой плотностью контактов
HEEE Серия - вставки с ультра-высокой плотностью контактов
HK Серия - комбинированные вставки
HM Серия - модульные вставки
HQ Серия - компактные вставки
HSB Серия - сильноточные вставки
HV - однорядные вставки
HVE Серия - вставки для высоких напряжений
HVES Серия - вставки для высоких напряжений
I/O
MI mini
WBF
Пневматический модуль
Корпуса
10A
10B
16A
16B
24B
32A
32B
3A
48B
6B
H1M/H2M
HC
HDC
HV
PCB
Цилиндрические соединители
7/8
HR23
Блочная часть
Вставки цилиндрического типа
Защитная крышка
Кабельная часть
HW
KB-20
M12 Разветвитель
M12-A
M12-B
M12-D
M12-L
M12-S
M12-X
M15
M17
M23
M40
M8
MR23
IO-Link
Q38
SC45
Аксессуары
Контакты
16A
0,5A
12A
13А
20A
25A
2A
3.6A
30A
5A
63A
75А
7A
800A
9A
200A
Силовой соединитель
Соединители серии DB
Аксессуары
Вставки
Контакты
Корпуса
Блочная часть
Защитная крышка
Кабельная часть
Соединители RJ45
Защитные рукава
Гофрорукава из оцинкованной стали (OEM)
Гофрорукава из пластика (OEM)
Защитные рукава из медной оплетки (OEM)
Специальные защитные рукава (OEM)
Фитинги и аксессуары
Тройники и муфты (OEM)
Фитинг прямой (OEM)
Фитинг угловой (OEM)
Крепеж для защитных рукавов (OEM)
Кабельные сальники
Кабельные сальники (OEM)
Взрывозащищенные кабельные сальники
Морские кабельные сальники
Индустриальные муфты
БРС для РВД
Муфты сухого разъединения
Индустриальный кабель для передачи данных
Оптические патч-корды
Патч-корды RJ 45
Инструмент
О компании
О компании
Контакты
Реквизиты
Бренды
Каталоги
Доставка и оплата
Условия оплаты
Условия доставки
Гарантия на товар
+7 (495) 449-83-05
Заказать звонок
Задать вопрос
Войти
  • Корзина0
  • Избранные товары0
  • Сравнение товаров0
info@iungo.ru
Московская область, г.Мытищи, ул.Веры Волошиной, д. 14
+7 (495) 449-83-05
Заказать звонок
Московская область, г.Мытищи, ул.Веры Волошиной, д. 14
Войти
IUNGO
Сравнение0
Избранные товары 0
Корзина 0
Продукция
О компании
Бренды
Каталоги
Доставка и оплата
+  ЕЩЕ
    IUNGO
    Продукция
    О компании
    Бренды
    Каталоги
    Доставка и оплата
    +  ЕЩЕ
      Сравнение0
      Избранные товары 0
      Корзина 0
      IUNGO
      Сравнение0 Избранные товары 0 Корзина 0
      Телефоны
      +7 (495) 449-83-05
      Заказать звонок
      • Продукция
        • Назад
        • Продукция
        • Прямоугольные соединители
          • Назад
          • Прямоугольные соединители
          • Kонтакты
            • Назад
            • Kонтакты
            • 1,5А
            • 1000А
            • 100A
            • 10A
            • 150A
            • 16A
            • 1A
            • 200A
            • 250A
            • 2A
            • 300A
            • 350A
            • 3A
            • 40A
            • 5A
            • 650A
            • 70A
            • Контакты для печатных плат
            • Пневматические контакты
          • Аксессуары
          • Вставки
            • Назад
            • Вставки
            • CHAdeMO
            • HA Серия - узкие вставки
            • HC Серия - сильноточные вставки
            • HCM Серия - малогабаритные вставки
            • HD AV Серия - вставки-распределители
            • HD&HDD Серия - вставки с ультра-высокой плотностью контактов
            • HDC Серия
            • HE AV Серия - вставки-распределители
            • HE Серия - стандартные вставки
            • HEE Серия - вставки с высокой плотностью контактов
            • HEEE Серия - вставки с ультра-высокой плотностью контактов
            • HK Серия - комбинированные вставки
            • HM Серия - модульные вставки
            • HQ Серия - компактные вставки
            • HSB Серия - сильноточные вставки
            • HV - однорядные вставки
            • HVE Серия - вставки для высоких напряжений
            • HVES Серия - вставки для высоких напряжений
            • I/O
            • MI mini
            • WBF
            • Пневматический модуль
          • Корпуса
            • Назад
            • Корпуса
            • 10A
            • 10B
            • 16A
            • 16B
            • 24B
            • 32A
            • 32B
            • 3A
            • 48B
            • 6B
            • H1M/H2M
            • HC
            • HDC
            • HV
            • PCB
        • Цилиндрические соединители
          • Назад
          • Цилиндрические соединители
          • 7/8
          • HR23
            • Назад
            • HR23
            • Блочная часть
            • Вставки цилиндрического типа
            • Защитная крышка
            • Кабельная часть
          • HW
          • KB-20
          • M12 Разветвитель
          • M12-A
          • M12-B
          • M12-D
          • M12-L
          • M12-S
          • M12-X
          • M15
          • M17
          • M23
          • M40
          • M8
          • MR23
          • IO-Link
          • Q38
          • SC45
          • Аксессуары
          • Контакты
            • Назад
            • Контакты
            • 16A
            • 0,5A
            • 12A
            • 13А
            • 20A
            • 25A
            • 2A
            • 3.6A
            • 30A
            • 5A
            • 63A
            • 75А
            • 7A
            • 800A
            • 9A
            • 200A
          • Силовой соединитель
        • Соединители серии DB
          • Назад
          • Соединители серии DB
          • Аксессуары
          • Вставки
          • Контакты
          • Корпуса
            • Назад
            • Корпуса
            • Блочная часть
            • Защитная крышка
            • Кабельная часть
        • Соединители RJ45
        • Защитные рукава
          • Назад
          • Защитные рукава
          • Гофрорукава из оцинкованной стали (OEM)
          • Гофрорукава из пластика (OEM)
          • Защитные рукава из медной оплетки (OEM)
          • Специальные защитные рукава (OEM)
        • Фитинги и аксессуары
          • Назад
          • Фитинги и аксессуары
          • Тройники и муфты (OEM)
          • Фитинг прямой (OEM)
          • Фитинг угловой (OEM)
        • Крепеж для защитных рукавов (OEM)
        • Кабельные сальники
          • Назад
          • Кабельные сальники
          • Кабельные сальники (OEM)
          • Взрывозащищенные кабельные сальники
          • Морские кабельные сальники
        • Индустриальные муфты
          • Назад
          • Индустриальные муфты
          • БРС для РВД
          • Муфты сухого разъединения
        • Индустриальный кабель для передачи данных
        • Оптические патч-корды
        • Патч-корды RJ 45
        • Инструмент
      • О компании
        • Назад
        • О компании
        • О компании
        • Контакты
        • Реквизиты
      • Бренды
      • Каталоги
      • Доставка и оплата
        • Назад
        • Доставка и оплата
        • Условия оплаты
        • Условия доставки
        • Гарантия на товар
      • Личный кабинет
      • Корзина0
      • Избранные товары0
      • Сравнение товаров0
      • +7 (495) 449-83-05
      Контактная информация
      Московская область, г.Мытищи, ул.Веры Волошиной, д. 14
      info@iungo.ru

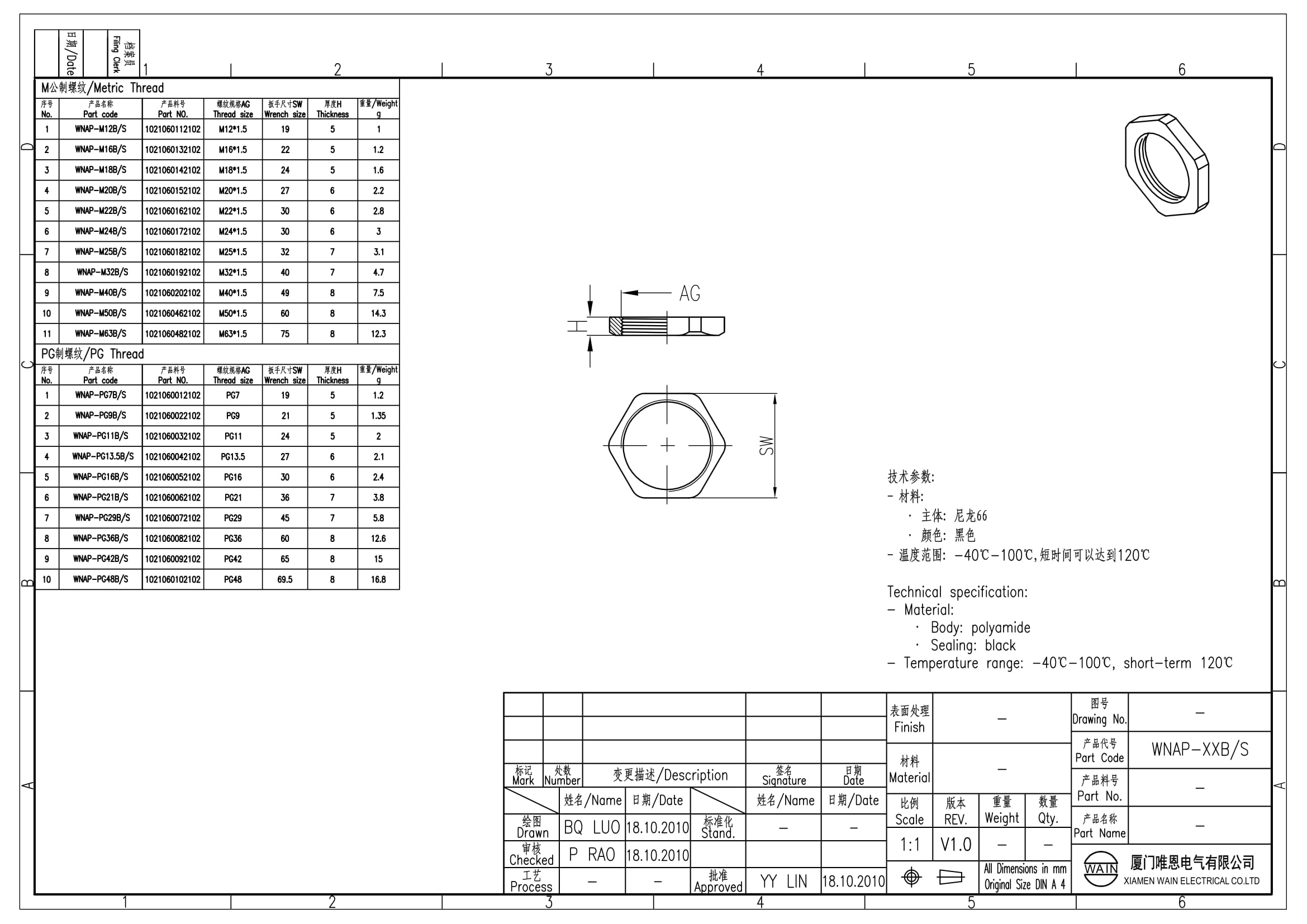
      Полиамидная гайка WNAP-PG21B/S 1021060062102

      Главная
      —
      Каталог
      —Полиамидная гайка WNAP-PG21B/S 1021060062102
      PG16BS-14343415963[1]
      2D_1021060062102_WNAP-PG21B_S_V1.0-1
      PG16BS-14343415963[1]
      2D_1021060062102_WNAP-PG21B_S_V1.0-1
      Артикул: WNAP-PG21B/S
      Полиамидная гайка WNAP-PG21B/S 1021060062102
      Под заказ
      Наши менеджеры обязательно свяжутся с вами и уточнят условия заказа
      Доставка завтра - 390 ₽
      Характеристики
      Вид резьбы
      —
      PG21
      Базовая единица
      —
      шт
      Материал
      —
      Полиамид
      Цвет
      —
      Черный
      Цена действительна только для интернет-магазина
      Характеристики
      Вид резьбы
      PG21
      Базовая единица
      шт
      Материал
      Полиамид
      Цвет
      Черный
      Как купить

      Для покупки товара в нашем интернет-магазине выберите понравившийся товар и добавьте его в корзину. Далее перейдите в Корзину и нажмите на «Оформить заказ» или «Быстрый заказ».

      Когда оформляете быстрый заказ, напишите ФИО, телефон и e-mail. Вам перезвонит менеджер и уточнит условия заказа. По результатам разговора вам придет подтверждение оформления товара на почту или через СМС.

      Оформление заказа в стандартном режиме выглядит следующим образом. Заполняете полностью форму по последовательным этапам: адрес, способ доставки, оплаты, данные о себе. В комментарии к заказу написать информацию, которая поможет курьеру вас найти. Нажмите кнопку «Оформить заказ».


      Оплата
      Оплачивайте покупки удобным способом. В интернет-магазине доступно 3 варианта оплаты:
      1. Безналичный расчет по выставленному счету для юридических лиц и индивидуальных предпринимателей.
      2. Безналичный расчет при самовывозе или оформлении в интернет-магазине: карты Visa, MasterCard , МИР. Чтобы оплатить покупку, система перенаправит вас на сервер системы ASSIST. Здесь нужно ввести номер карты, срок действия и имя держателя
      3. Электронные системы при онлайн-заказе: PayPal, WebMoney и Яндекс.Деньги. Для совершения покупки система перенаправит вас на страницу платежного сервиса. Здесь необходимо заполнить форму по инструкции.

      Доставка

      Экономьте время на получении заказа. В интернет-магазине доступно 3 варианта доставки:

      1. Доставка транспортными компаниями СДЭК и Деловые линии до пункта выдачи в вашем городе.

      2. Курьерская доставка другими транспортными компаниями или курьерская доставка согласовывается при размещении заказа.

      3. Доставка другими транспортными компаниями или курьерская доставка согласовывается при размещении заказа.

      Отзывы
      /5
      Оставить отзыв
      Загрузка отзывов...

      Нужна консультация?

      Наши специалисты ответят на любой интересующий вопрос
      Задать вопрос
      Каталог
      • Прямоугольные соединители Прямоугольные соединители
        • Kонтакты Kонтакты
          • 1,5А
          • 1000А
          • 100A
          • 10A
          • 150A
          • 16A
          • 1A
          • 200A
          • 250A
          • 2A
          • 300A
          • 350A
          • 3A
          • 40A
          • 5A
          • 650A
          • 70A
          • Контакты для печатных плат
          • Пневматические контакты
        • Аксессуары Аксессуары
        • Вставки Вставки
          • CHAdeMO
          • HA Серия - узкие вставки
          • HC Серия - сильноточные вставки
          • HCM Серия - малогабаритные вставки
          • HD AV Серия - вставки-распределители
          • HD&HDD Серия - вставки с ультра-высокой плотностью контактов
          • HDC Серия
          • HE AV Серия - вставки-распределители
          • HE Серия - стандартные вставки
          • HEE Серия - вставки с высокой плотностью контактов
          • HEEE Серия - вставки с ультра-высокой плотностью контактов
          • HK Серия - комбинированные вставки
          • HM Серия - модульные вставки
          • HQ Серия - компактные вставки
          • HSB Серия - сильноточные вставки
          • HV - однорядные вставки
          • HVE Серия - вставки для высоких напряжений
          • HVES Серия - вставки для высоких напряжений
          • I/O
          • MI mini
          • WBF
          • Пневматический модуль
        • Корпуса Корпуса
          • 10A
          • 10B
          • 16A
          • 16B
          • 24B
          • 32A
          • 32B
          • 3A
          • 48B
          • 6B
          • H1M/H2M
          • HC
          • HDC
          • HV
          • PCB
      • Цилиндрические соединители Цилиндрические соединители
        • 7/8 7/8
        • HR23 HR23
          • Блочная часть
          • Вставки цилиндрического типа
          • Защитная крышка
          • Кабельная часть
        • HW HW
        • KB-20 KB-20
        • M12 Разветвитель M12 Разветвитель
        • M12-A M12-A
        • M12-B M12-B
        • M12-D M12-D
        • M12-L M12-L
        • M12-S M12-S
        • M12-X M12-X
        • M15 M15
        • M17 M17
        • M23 M23
        • M40 M40
        • M8 M8
        • MR23 MR23
        • IO-Link IO-Link
        • Q38 Q38
        • SC45 SC45
        • Аксессуары Аксессуары
        • Контакты Контакты
          • 16A
          • 0,5A
          • 12A
          • 13А
          • 20A
          • 25A
          • 2A
          • 3.6A
          • 30A
          • 5A
          • 63A
          • 75А
          • 7A
          • 800A
          • 9A
          • 200A
        • Силовой соединитель Силовой соединитель
      • Соединители серии DB Соединители серии DB
        • Аксессуары Аксессуары
        • Вставки Вставки
        • Контакты Контакты
        • Корпуса Корпуса
          • Блочная часть
          • Защитная крышка
          • Кабельная часть
      • Соединители RJ45 Соединители RJ45
      • Защитные рукава Защитные рукава
        • Гофрорукава из оцинкованной стали (OEM) Гофрорукава из оцинкованной стали (OEM)
        • Гофрорукава из пластика (OEM) Гофрорукава из пластика (OEM)
        • Защитные рукава из медной оплетки (OEM) Защитные рукава из медной оплетки (OEM)
        • Специальные защитные рукава (OEM) Специальные защитные рукава (OEM)
      • Фитинги и аксессуары Фитинги и аксессуары
        • Тройники и муфты (OEM) Тройники и муфты (OEM)
        • Фитинг прямой (OEM) Фитинг прямой (OEM)
        • Фитинг угловой (OEM) Фитинг угловой (OEM)
      • Крепеж для защитных рукавов (OEM) Крепеж для защитных рукавов (OEM)
      • Кабельные сальники Кабельные сальники
        • Кабельные сальники (OEM) Кабельные сальники (OEM)
        • Взрывозащищенные кабельные сальники Взрывозащищенные кабельные сальники
        • Морские кабельные сальники Морские кабельные сальники
      • Индустриальные муфты Индустриальные муфты
        • БРС для РВД
        • Муфты сухого разъединения
      • Индустриальный кабель для передачи данных Индустриальный кабель для передачи данных
      • Оптические патч-корды Оптические патч-корды
      • Патч-корды RJ 45 Патч-корды RJ 45
      • Инструмент Инструмент
      Каталог
      Бренды
      Продукция
      Прямоугольные соединители
      Цилиндрические соединители
      Индустриальные муфты
      Защитные рукава
      Фитинги и аксессуары для защитных рукавов
      Индустриальный кабель для передачи данных
      О компании
      О компании
      Контакты
      Реквизиты
      Информация
      Условия оплаты
      Условия доставки
      Гарантия на товар
      Вопрос-ответ
      Статьи
      Политика конфиденциальности
      Подписаться на рассылку
      +7 (495) 449-83-05
      info@iungo.ru
      Московская область, г.Мытищи, ул.Веры Волошиной, д. 14
      2026 © ООО РОТОН

      Используя данный сайт, вы даете согласие на использование файлов cookie. К сайту подключен сервис Яндекс.Метрика, который также использует файлы cookie. Подробнее.